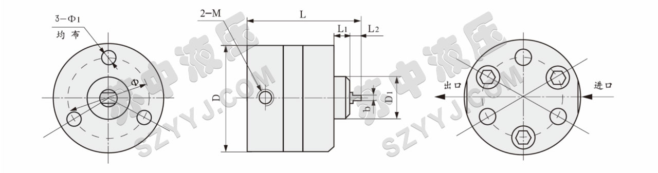
该双向润滑泵是一种体积小、重量轻、外观美、噪音低、使用寿命长的泵,泵轴正反向旋转时能够保证吸油口不变比功能再同方向等量供油。广泛应用于各种传动机械、减速机、减速器的润滑及冷却系统。
手机:(+86)18952696448
固话:0523-87892448
传真:0523-87892779
liuzhixiang@szyyj.com
1046705846
0523-87892448