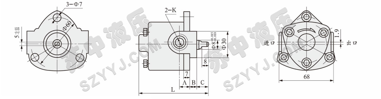
RHB型润滑摆线齿轮泵为小流量、低压力摆线齿轮油泵,其体积小,安装拆卸方便,该摆线齿轮泵适用于各类机床、机械设备的润滑及输油之用。
型号
排量ml/r
流量
压力MPa
最高转速r/min
重量kg
尺寸
1500rpm
1800rpm
L
A
B
C
D
RHB-1
1
1.5
1.8
0.5
3000
0.57
60
11
8
11.5
Z1/8"
RHB-1.6
1.6
2.5
2.9
2000
0.60
64
RHB-2.5
3.7
4.5
1800
0.70
70
Z1/4"
RHB-3.15
3.15
4.7
5.7
0.85
76
Z3/8"
手机:(+86)18952696448
固话:0523-87892448
传真:0523-87892779
liuzhixiang@szyyj.com
1046705846
0523-87892448