电子邮件
liuzhixiang@szyyj.com
腾讯QQ
1046705846
固定电话
0523-87892448
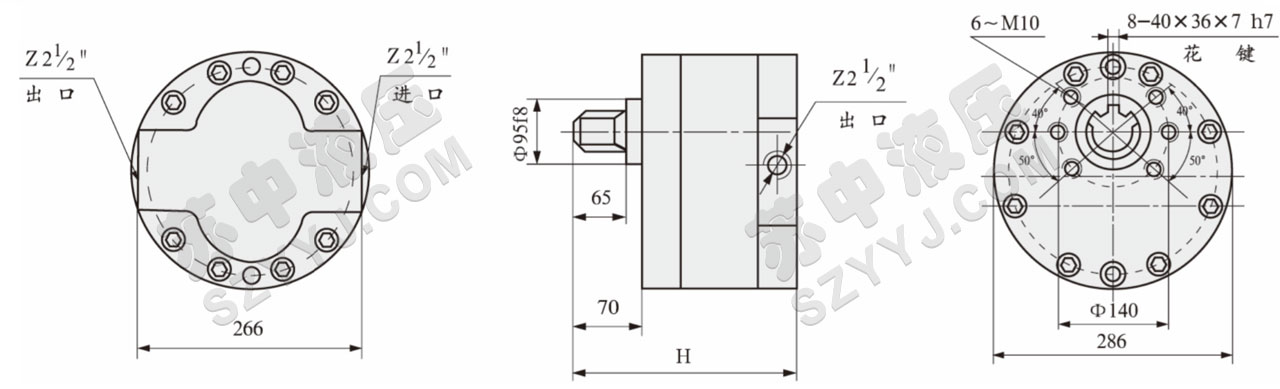
本系列齿轮泵采用材料为40Cr,结合钢质齿轮,从而实现耐磨损,前后盖镶有钢质或青铜止推板。其噪音低,流量大,脉冲小,运转平稳,承受压力大大提高。广泛用于人造、竹、木、胶合板机械,冲洗设备,橡塑机械等液压系统中,压力可达3.5MPa以上,也可用于油站,油田的大流量输油。
技术参数
型号 | 额定流量 L/min | 额定压力 MPa | 额定转速 r/min | 容积效率 ηv% | 总效率 ηt% | 进油口 | 出油口 | 驱动功率 kw |
DCB-B600 | 600 | 2.5 | 1450 | ≥90 | ≥80 | Z21/2" | Z21/2" | 29 |
DCB-B700 | 700 | 32 | ||||||
DCB-B800 | 800 | 37 | ||||||
DCB-B900 | 900 | 42 | ||||||
DCB-B1000 | 1000 | 49 |
技术规格
型号 | DCB-B600 | DCB-B700 | DCB-B800 | DCB-B900 | DCB-B1000 |
H | 355 | 375 | 395 | 415 | 435 |
liuzhixiang@szyyj.com
1046705846
0523-87892448